山东省潍坊市水利灌溉框架防护网生产厂家
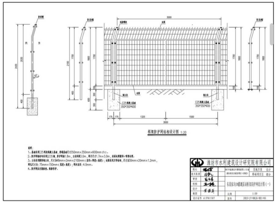
1、基础采用C25现浇混凝土基础,普通基础尺寸350mmx350mmx600mm。
2、防护网钢材均采用Q235钢,防护网高1.8m,立柱间距3.0m,网片尺寸1.7mx3.0m,表面处理镀锌+喷塑处理。
3、立柱采用圆管钢立柱,尺寸为48mmx2mmx2100mm(直径x厚度x高度):边框采用方形结构,尺寸为30mmx20mmx1.2mm,网孔尺寸为:75mmx150mm(宽度x高度):网丝直径:4.0mm。
4、防护网应定期检查、维修养护。
安平县秉德丝网制品有限公司
手机: 朱经理 13292231119
微信: 朱经理 13292231119
(加微信看生产视频)
传真: 0318-8090660
Q Q: 3219383557
邮箱:3219383557@qq.com
地址:河北省安平县工业园东区经五路12号2幢
网站首页
电话
短信
联系我们