
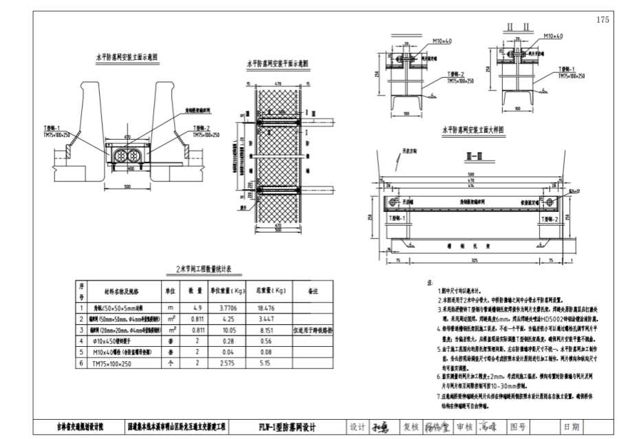
辽宁省本溪市明山区新建立交FLW-1防落网生产厂家
1.图中尺寸均以毫米计。
2.本图适用于2米中分带大、中桥防捷墙之间中分带水平防落网设置。
3.采用热浸镀锌T型钢与管道槽钢托架焊接作为网片支撑托架,焊缝处原防腐层应打磨处理,采用周边围焊,焊缝高度6mm,焊后焊缝处涂HD5002锌铝涂镀涂液防腐。
4.相邻管道槽钢托架因施工误差,不在一个平面,当偏差较小可以通过螺栓孔调节网片平整度:当偏差较大,应根据现场实际调整T型钢托架高度,确保网片安装平整不翘曲。
5.由于施工范图内的原托架预埋间距、左右防撞墙净距尺寸不统一,水平防落网加工制作前,务必按现场调查尺寸综合考虑按照本设计原则进行加工制作,网片横向和纵向尺寸均可据实调整。
6.据实测量的网片加工精度±2mm,考到到施工偏差,横向布置时防撞墙与网片及网片与网片相互间隙控制可按10-30mm控制。
7.注意越桥梁伸缩缝处网片必须在伸缩缝两侧按照本设计原则各自装立设置,确保桥体结构在伸缩缝可自由伸缩。