新疆果子沟高速公路防落网生产厂家
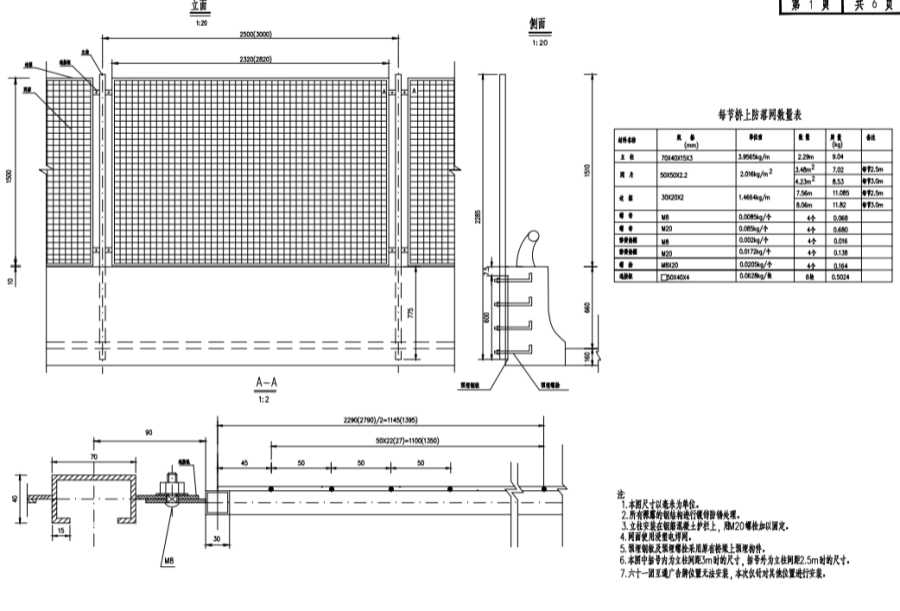
1.本图尺寸以毫米为单位。
2.所有裸露的钢结构进行镀锌防锈处理。
3.立柱安装在钢筋混凝土护栏上,用M20螺栓加以固定。
4.网面使用浸塑电焊网。
5.预埋钢板及预埋螺栓采用原有桥梁上预埋构件。
6.本图中括号内为立柱间距3m时的尺寸。括号外为立柱间距2.5m时的尺寸。
7.六十一团互通广告牌位置无法安装,本次仅针对其他位置进行安装。
安平县秉德丝网制品有限公司
手机: 朱经理 13292231119
微信: 朱经理 13292231119
(加微信看生产视频)
传真: 0318-8090660
Q Q: 3219383557
邮箱:3219383557@qq.com
地址:河北省安平县工业园东区经五路12号2幢
网站首页
电话
短信
联系我们