山东高速公路改扩建刺钢丝网隔离栅专业生产厂家
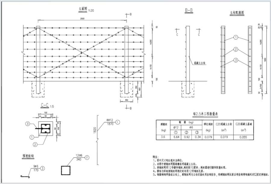
附注
1.图中尺寸均以毫米为单位。
2.本图中刺钢丝网隔离栅将采用混凝土立柱。
3.刺钢丝网用12号镀锌钢丝,刺间距10厘米,刺丝需进行镀锌防腐处理。
4.横向与斜向刺钢丝网相交处均用12号钢丝扎紧。
5.钢筋倒钩焊接在立柱上,刺钢丝网与立柱交接处用挂钩挂住,待刺钢丝网拉紧后将挂钩弯钩拗死封口固定刺钢丝。
安平县秉德丝网制品有限公司
手机: 朱经理 13292231119
微信: 朱经理 13292231119
(加微信看生产视频)
传真: 0318-8090660
Q Q: 3219383557
邮箱:3219383557@qq.com
地址:河北省安平县工业园东区经五路12号2幢
网站首页
电话
短信
联系我们