G30连霍高速公路哈密至吐峪沟段改扩建工程刺钢丝隔离栅生产厂家
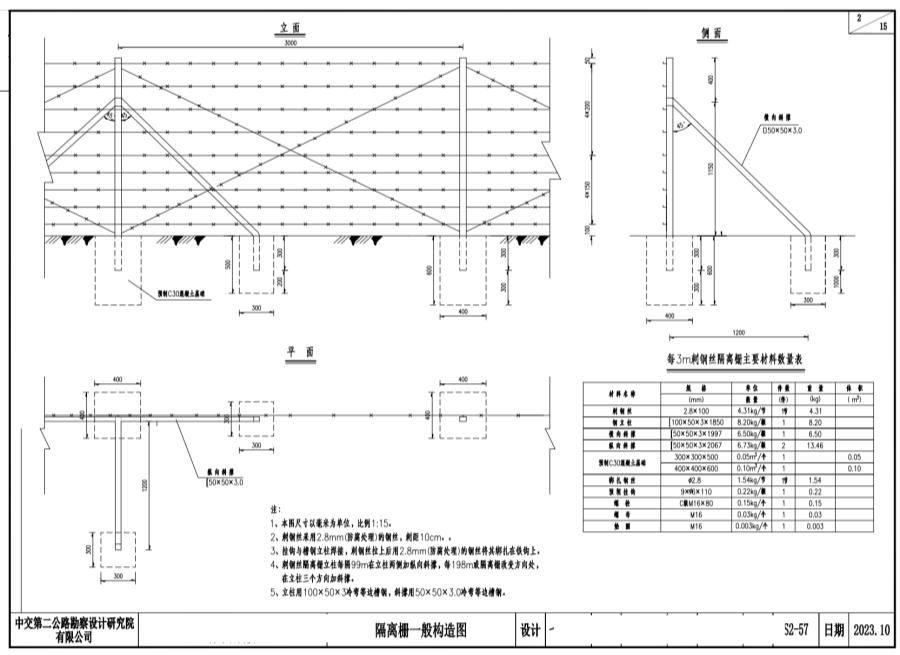
1、本图尺寸以毫米为单位,比例1:15。
2、刺钢丝采用2.8mm(防腐处理)的钢丝,刺距10cm。
3、挂钩与槽钢立柱焊接,刺钢丝拉上后用2.8mm(防腐处理)的钢丝将其绑扎在铁钩上。
4、刺钢丝隔离栅立柱每隔99m在立柱两侧加纵向斜撑,每198m或隔离栅改变方向处在立柱三个方向加斜撑。
5、立柱用100X50X3冷弯等边槽钢,斜撑用50X50X3.0冷弯等边槽钢。
安平县秉德丝网制品有限公司
手机: 朱经理 13292231119
微信: 朱经理 13292231119
(加微信看生产视频)
传真: 0318-8090660
Q Q: 3219383557
邮箱:3219383557@qq.com
地址:河北省安平县工业园东区经五路12号2幢
网站首页
电话
短信
联系我们