济广高速公路桥梁防落物网生产厂家
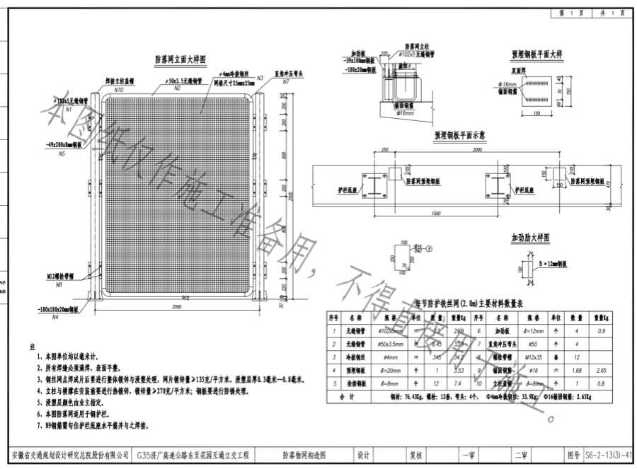
1、本图单位均以毫米计。
2、所有焊缝必须满焊,表面平整。
3、钢丝网点焊成片后要进行整体镀锌与浸塑处理,网片镀锌量>135克/平方米,浸塑层厚0.3米--0.8毫米。
4、立柱与横撑在安装前要进行热镀锌,镀锌量>270克/平方米,钢板要进行防锈处理。
5、浸塑层颜色由业主指定。
6、本图防落网适用于钢护栏。
7、N9钢筋需勾住护栏底座水平筋并与之焊接。
安平县秉德丝网制品有限公司
手机: 朱经理 13292231119
微信: 朱经理 13292231119
(加微信看生产视频)
传真: 0318-8090660
Q Q: 3219383557
邮箱:3219383557@qq.com
地址:河北省安平县工业园东区经五路12号2幢
网站首页
电话
短信
联系我们