山东淄博淄川岭子废旧矿区150MW光伏区围墙及大门生产厂家
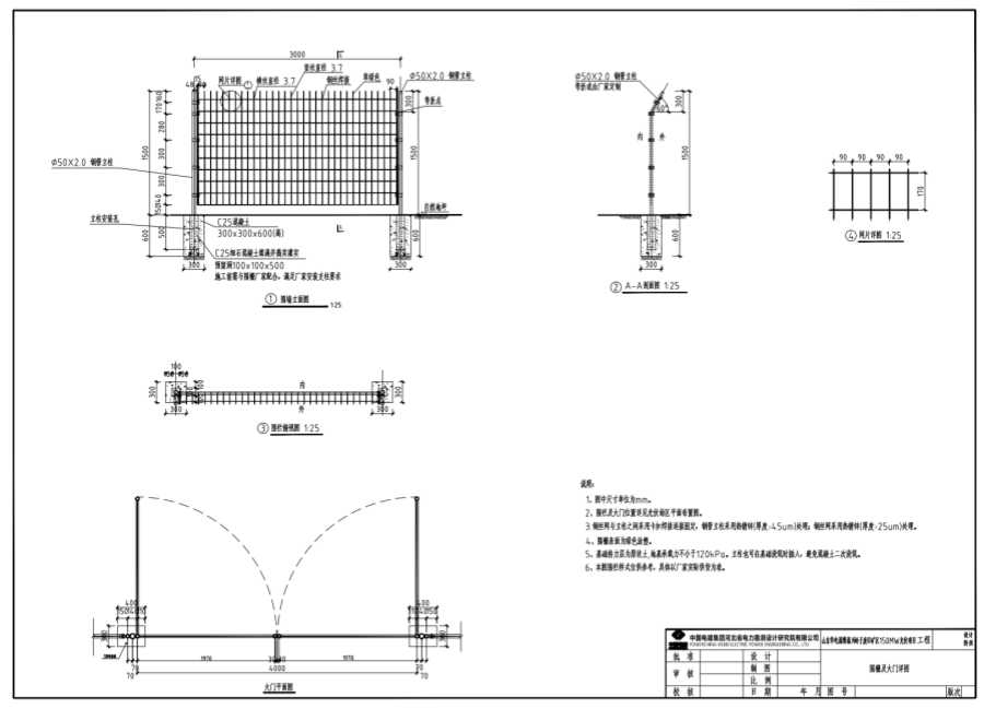
1、图中尺寸单位为mm。
2、围栏及大门位置详见光伏场区平面布置图。
3、钢丝网与立柱之间采用卡扣焊接连接固定,钢管立柱用热镀锌(厚度>45um)处理,钢丝网采用热镀锌(厚度>25um)处理。
4、围栅表面为绿色涂塑。
5、基础持力层为原状土,地基承载力不小于120kPa。立柱也可在基础浇筑时插入,避免混凝土二次浇筑。
6、本图围栏样式仅供参考,具体以厂家实际供货为准。
安平县秉德丝网制品有限公司
手机: 朱经理 13292231119
微信: 朱经理 13292231119
(加微信看生产视频)
传真: 0318-8090660
Q Q: 3219383557
邮箱:3219383557@qq.com
地址:河北省安平县工业园东区经五路12号2幢
网站首页
电话
短信
联系我们