
青海省海南藏族自治州贵南县过马营镇哇让电站钢丝网围栏专业生产厂家
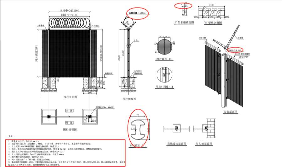
(1)2.5m高钢格栅围栏由立柱(含盖帽)、网片、U形卡槽、镀锌钢六角卡爪、五金附件等部件组成:立柱采用105×75异形型材,材质为镀锌钢,厚度为2.5mm(喷涂前需保证钢材厚度不小于2.3mm-2.4mm),横丝、竖丝采用聚酯侵塑后直径4mm(浸塑前需保证丝径不小于3mm),颜色为绿色。热镀锌冷拔钢丝,镀锌量≥40g/㎡,采用压力熔焊制成。
(2)围栏立柱中心距为2160mm,安装高度为2500mm,网格为76.2*12.7mm,立柱顶部设双曲臂,与水平方向成90°夹角,长度为566mm,表面热镀锌,镀锌量>275g/㎡,刺刀圈材质为热镀锌钢,直径为φ500mm。
(3)网片顶部设有“U”形卡槽,材质为热镀锌钢,长度为2100mm,网片底部设有“乚"型地下固定件,构件表面均镀锌+喷涂。
(4)加工工艺:网片焊接成型后-脱脂-纯水清洗-硅烷化处理-烘干-环氧底粉-高温聚合处理-彩色聚酯涂层-高温聚合处理,涂层厚度>100um,防腐能力达到10年以上。
(5)以上所有材料的下差应控制在±0.1mm内。